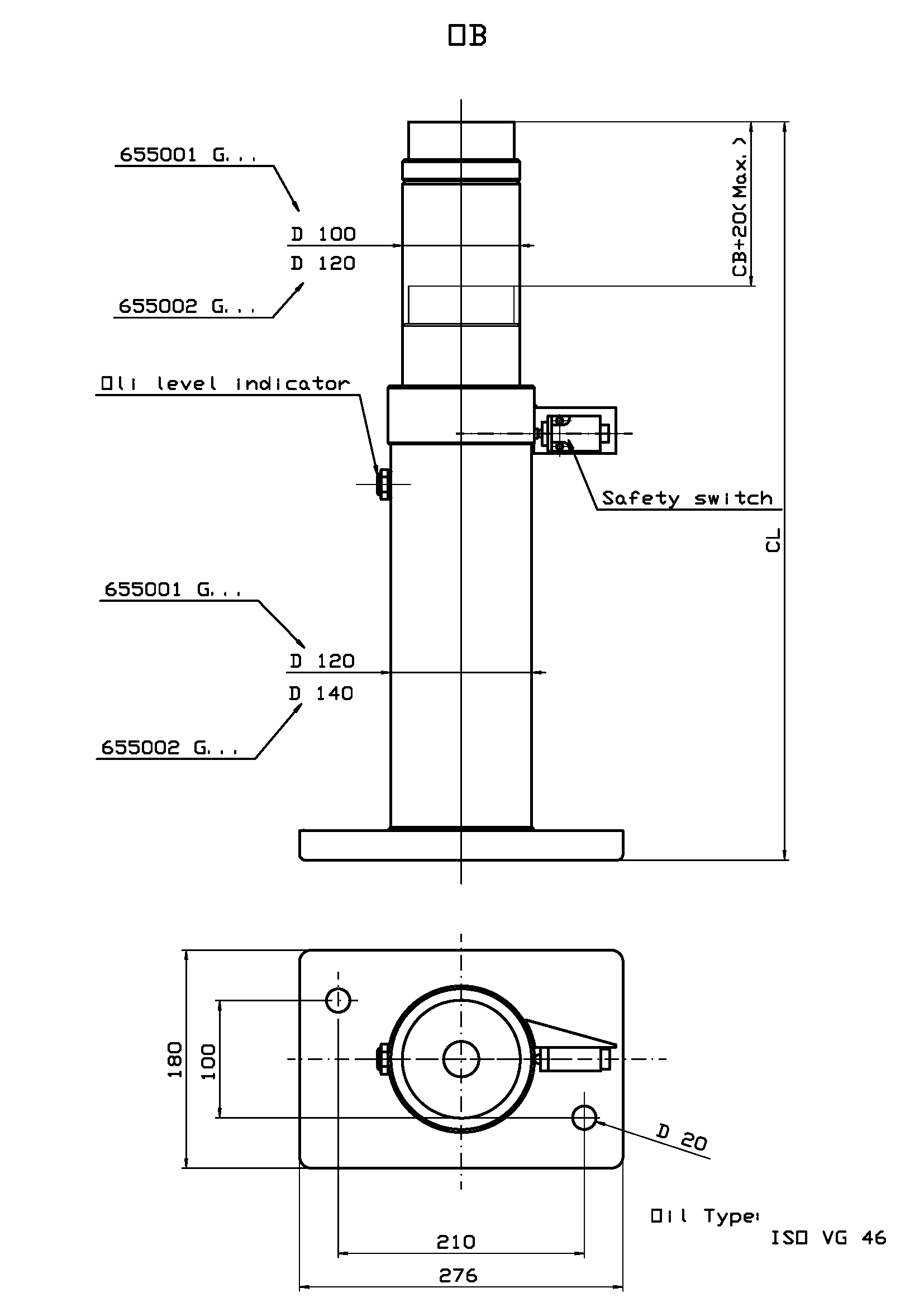
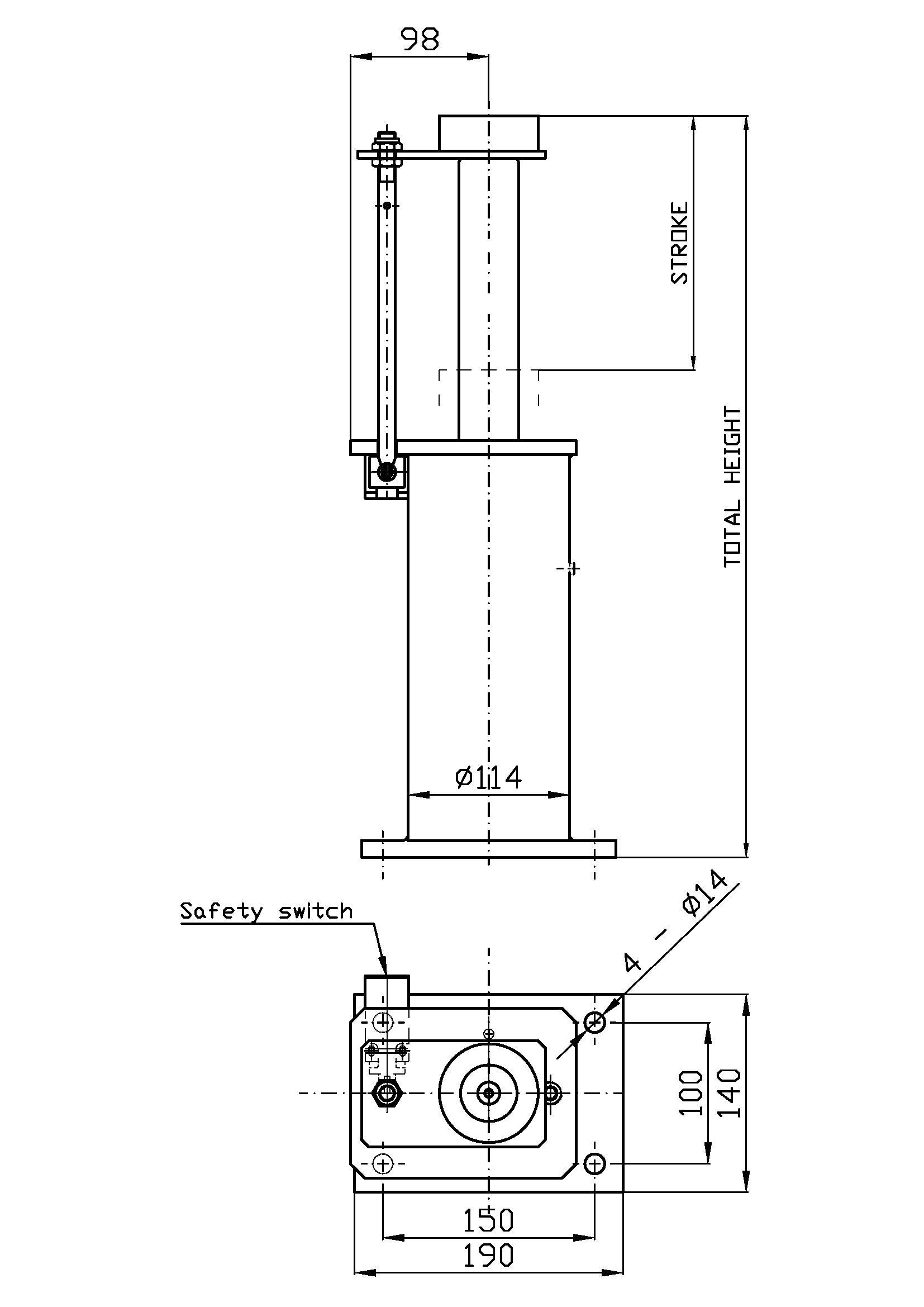
Aufsetzpuffer – Öl und Polyurethan
Sicherheit und kontrollierter Stillstand für Ihre Aufzugskabine!
Was sind Puffer?
Ihre Aufgabe?
Sicherheitsbauteile, die üblicherweise in der Schachtgrube eines Aufzugsschachtes installiert werden.
Eine auffahrende Aufzugskabine kontrolliert zum Stillstand zu bringen.
(Aufprall nach "Überfahren" des Fahrkorbs, wegen eines elektrischen Fehlers oder eines falschen Inspektionsmanövers, etc.)
Technische Infos Aufsetzpuffer








